icon
8 800 600 70 50
Звонок по России бесплатный

Седельный тягач 65116-6010-48 (6x4)

Снаряженная масса, кг: 7275
Модель ДВС: KAMAZ 667.511-300
Максимальная мощность, лс: 292
Рабочий объем, л: 6.7
Модель КПП: ЦФ КАМА 1310 TO
Количество передач: вперед - 9, назад - 1
Колеса: 8,25-22,5 или 7,5-22,5
Цена по запросу
Снаряженная масса, кг: 7275
Полная масса автомобиля, кг: 22850
Полная масса автопоезда, кг: 37850
Модель ДВС: KAMAZ 667.511-300
Количество, расположение цилиндров: 6, рядное
Экологический класс: ЕВРО-5
Топливо: дизельное
Максимальная мощность, лс: 292
Максимальная мощность, кВт: 215
Максимальный крутящий момент, Нм: 1087
Максимальный крутящий момент, Нм при частоте вращения, об мин: 1300
Рабочий объем, л: 6.7
Степень сжатия: 17.2
Модель КПП: ЦФ КАМА 1310 TO
Тип КП: МКПП
Количество передач: вперед - 9, назад - 1
Передаточные числа: 9,48-0,75
Исполнение кабины: Рестайлинг-1
Спальное место: 1 спальное место
Крыша: высокая
Опрокидывание кабины: гидроподъем
Сиденье водителя: подрессоренное
Среднее сиденье: по заказ-наряду
Кондиционер: нет
Тахограф: по заказ-наряду
УВЭОС: есть
Ошиновка: двускатная
Топливные баки, л: 350
Бак нейтрализующей жидкости: есть
Шины: 11.00R22,5 бескамерные
Колеса: 8,25-22,5 или 7,5-22,5
Передаточное отношение главной передачи: 5.94
Предпусковой подогреватель: есть
Направление выхлопа: налево
Дополнительно: ГУР, рулевая колонка с противоугоном, круиз контроль, задние крылья пластиковые, грязевой настил рамы
Описание: МКБ, МОБ, дв. КАМАЗ 667.511-300 (Е-5), система нейтрализ. ОГ, ДЗК, аэродинам.козырек, тахограф российского стандарта с блоком СКЗИ, УВЭОС
Состав автомобиля: МКБ, МОБ, дв. КАМАЗ 667.511-300 (Е-5), система нейтрализ. ОГ, ДЗК, аэродинам.козырек, тахограф российского стандарта с блоком СКЗИ, УВЭОС
Максимальный крутящий момент КПП, Нм: 1300
Аэродинамический солнцезащитный козырек: есть
ДЗК: справа под рамой
Защитный кожух топливного бака: нет
Седельно-сцепное устройство (ССУ): 2 степени свободы
Диаметр шкворня, дюймов: 2
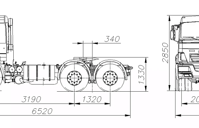
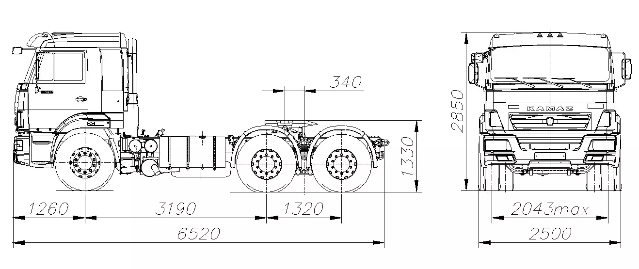
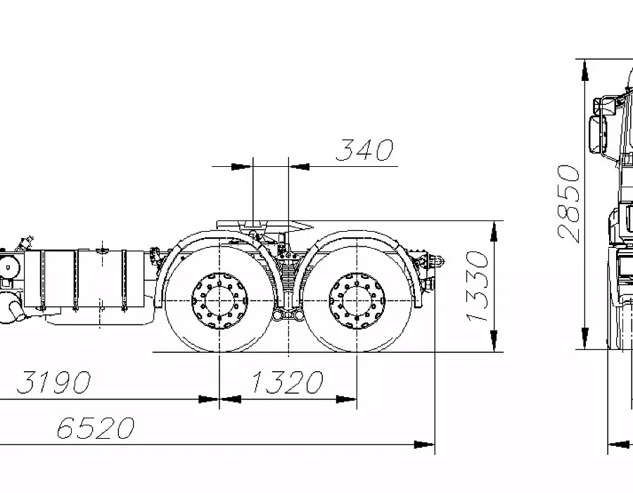
Высота ССУ при снаряженной массе, мм: 1330
Высота ССУ при полной массе, мм: 1255
Электро-пневмовыводы на полуприцеп: есть
Колесная база: 3190+1320
Межколесная блокировка (МКБ): есть
Межосевая блокировка (МОБ): есть
Антиблокировочная система (АБС): есть
Круиз-контроль: есть
Радиус габарита задней части, мм: 2105
Внутренний радиус передней части, мм: 2120
Длина,мм: 6520
Ширина,мм: 2500
Высота,мм: 2850
Нагрузка на седельно-сцепное устройство, кг: 15500
Снаряженная масса, кг на заднюю тележку: 3675
Полная масса автомобиля, кг на заднюю тележку: 17800
Полная масса буксируемого полуприцепа, кг: 30500
Проблесковые маячки на крыше кабины: нет
Глушитель-нейтрализатор: Глушитель-нейтрализатор
Задние крылья: пластиковые
Буксировочное устройство: буксирная проушина
icon Республика Татарстан, г. Набережные челны, Металлургическая 15, стр.2
icon c 8.00 до 20.00, без перерыва и выходных